设为首页
|
加入收藏
|
进入邮箱
首页
机构介绍
机构简介
组织机构
公正性声明
社会责任报告
资质展示
证书样本
法律声明
总经理信箱
新闻中心
业内动态
学术热点
公告发布
证书查询
主要业务
认证流程
业务范围
认证收费
在线申请
认证申请指南
意见反馈
文件下载
业务文件
政策法规
相关业务
培训简介
培训通知与报名
内审员证书查询
其他服务
服务指南
服务流程
公开性文件
在线服务
在线申请
意见反馈
证书查询
总经理信箱
联系我们
联系我们
招聘公告
主要业务
>
认证流程
>
业务范围
>
认证收费
>
在线申请
-- 认证申请指南
>
意见反馈
>
文件下载
-- 业务文件
-- 政策法规
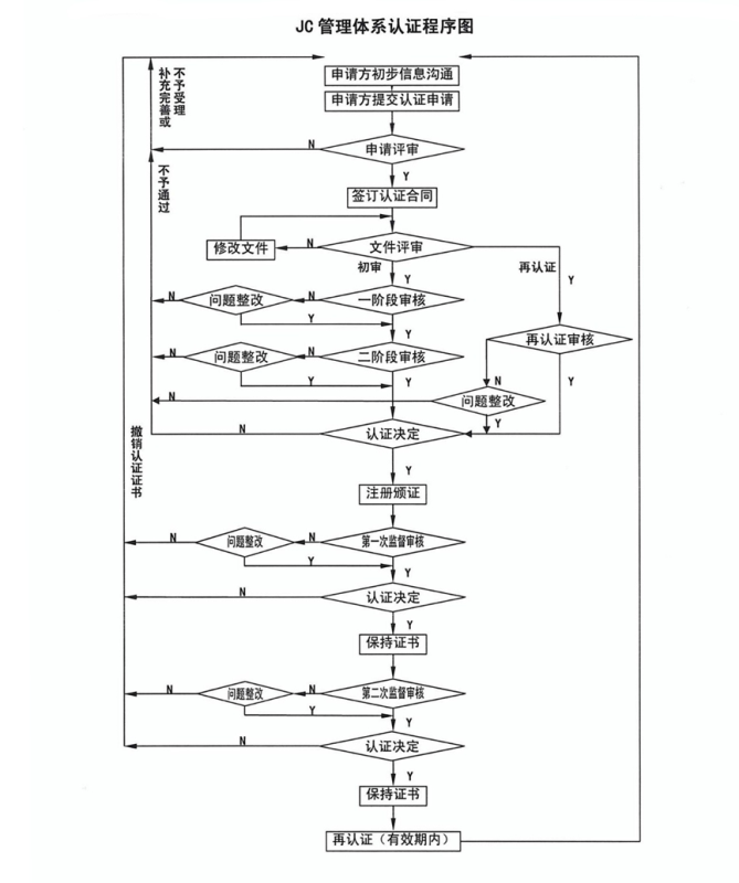
JC管理体系认证程序图/
Certification Process